Thông tin cơ bản chậu rửa mặt lavabo Inax AL-445V
- Dòng sản phẩm chậu rửa lavabo INAX AL-445V đặt bàn hình tròn đến từ thương hiệu thiết bị vệ sinh INAX
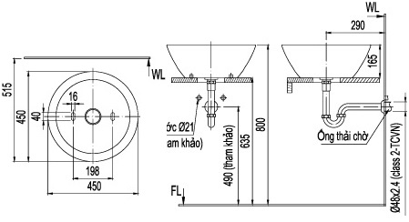
- Kích thước (dài x rộng x cao): 450 x 450 x 165 mm
- Màu sắc: Trắng
- Với đặc tính kháng khuẩn, dễ lau chùi
- Chất liệu sứ cao cấp, có men chống bám bẩn AquaCeramic trong lòng lavabo
- Không bao gồm phụ kiện ( vòi, bộ xả...)
- Có thể dùng với vòi: LFV-1402SH, LFV-112SH , LFV-2012SH , LFV-502SH , LFV-5012SH
Bản vẽ bồn rửa mặt lavabo INAX AL445V
